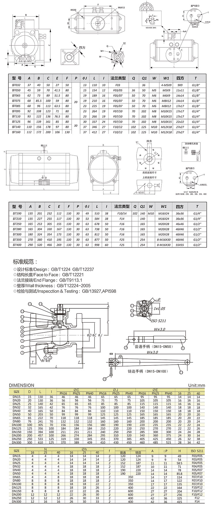
一、SEFORT氣動薄型球閥特點
SEFORT氣動薄型球閥也稱為氣動對夾球閥。球芯通道形狀有矩形、V形及O形。氣動薄型球閥具有結構緊湊、體積小、重量輕、安裝方便等特點。氣動薄型球閥、氣動超薄球閥它采用直連方式執行機構連接,具有結構緊湊、尺寸小、重量輕、摩擦阻力小、回差小、動作穩定可靠等優點。
氣動薄型球閥可廣泛應用在石油、化工、冶金、電站、輕工等領域,對油、水、氣及紙漿或纖維狀流體進行自動調節或切斷控制。
球閥是一種重要的閥類,在石油化工和長輸管線等領域有廣泛應用。它的關閉件是一個帶孔的部分球體,球體隨閥桿轉動,實現閥門的開啟或關閉。流向可任意,可調范圍廣,能用于高壓和大口徑場合,控制高粘度,帶有纖維和細顆粒的介質。
二、SEFORT氣動薄型球閥執行器產品特點
1、硬質陽極氧化處理
氣缸采用高強度鋁合金材料,經過硬質陽極氧化處理,韌性高,不易留下劃痕
2、烤漆設計
兩端端蓋經過烤漆工藝處理,不易脫落,更好的保護缸體
3、耐腐蝕
耐腐蝕性能強,使用壽命更長久
4、流阻小
全通徑球閥,球閥流體阻力小,采用全通徑基本沒有流阻
5、專業性強
廣泛應用于石油、冶金、電力、水利、新能源等工況
6、標準鑄造
標準鑄造,鏈接支架,更精準,無間隙
7、標準化
國標,美標,日標
